5iMX宗旨:分享遥控模型兴趣爱好

5iMX.com 我爱模型 玩家论坛 ——专业遥控模型和无人机玩家论坛(玩模型就上我爱模型,创始于2003年)
楼主: cfandd
打印 上一主题 下一主题

高手做CNC来服务大家

[复制链接]
21
发表于 2005-4-29 01:03 | 只看该作者
买成品、半成品、全部自己动手,都是乐趣,通通赞成

欢迎继续阅读楼主其他信息

22
发表于 2005-4-29 08:07 | 只看该作者
真精致,电机是多大的:em26:
23
 楼主| 发表于 2005-4-29 11:39 | 只看该作者
烧录程序我找到了,不会传上来不过。
如果a51兄帮买元件,那我把烧录程序发给大家用OK?
24
发表于 2005-4-29 13:29 | 只看该作者
没问题
25
发表于 2005-4-29 16:22 | 只看该作者
买步进电机看这里,这是路桥五金城专卖旧电机的
26
发表于 2005-4-29 16:23 | 只看该作者
买步进电机看这里,这是路桥五金城专卖旧电机的





27
发表于 2005-4-29 16:30 | 只看该作者
因为是旧货,成色有好有坏,但质量是没问题,因我家就在旁边,坏的要退回去,型号也不一定齐,代买时要早的通知
28
 楼主| 发表于 2005-4-29 22:06 | 只看该作者
a51  在 2005-4-29 04:30 PM 发表:

因为是旧货,成色有好有坏,但质量是没问题,因我家就在旁边,坏的要退回去,型号也不一定齐,代买时要早的通知


发给你的软件收到了吗?能否用?干脆帮忙代买所有的元件吧.:em00:
29
发表于 2005-4-30 06:36 | 只看该作者
己收到,那是PIC12509,不是AT89c2051,我这里只有AT89c2051,
30
发表于 2005-4-30 06:39 | 只看该作者
cfandd  在 2005-4-28 11:39 AM 发表:


如图所示,这是用
AT89c2051做的:em00:
31
 楼主| 发表于 2005-4-30 09:03 | 只看该作者
看来还得找找2051的烧录文件对吧?
32
发表于 2005-4-30 10:15 | 只看该作者
楼上的电路太复杂,给大家个简单的:
16个二极管可以不用,直接连接就可以,切割程序和楼上的通用


[ Last edited by 世明 on 2005-4-30 at 10:26 ]
33
发表于 2005-4-30 11:22 | 只看该作者
步进电机驱动用ULN2803驱动。其实在实际应用时是远远不够的。因ULN2803驱动兄流只有500MA这样的驱动只有在一些实验板或者是转速不高,带动负载小的应用场所。

大家都知道步进电机是属于感性器件。感抗跟它的输入频率是成正比的。假如步进电机的转速增大,那它的感抗就会增加,这样流入电机线圈的电流就会减小,电机的输出扭力就会达不到我们的要求。严重的情况下会造成电机失步或者电机只振动不转。
所以要用大功率管子:em04:
34
发表于 2005-4-30 20:59 | 只看该作者
楼上的对电路很熟悉哦,ULN2803驱动电流每路只有500MA,注意是每路,32楼的电路图纸是使用两路并联使用的,驱动电流达到1000毫安,做切割机的步进电机驱动足够了。
电路中加接电阻。如下图所示:em19::em00::em24::


[ Last edited by 世明 on 2005-4-30 at 21:01 ]
35
发表于 2005-4-30 21:29 | 只看该作者
切割机的步进电机驱动足够了?
切割机的步进电机上个图看看.有多大
36
发表于 2005-4-30 21:37 | 只看该作者
我这里主要是没有PIC12c509,ULN2803倒是有,如果电机电流不大,我就用at89c2051与ULN2803连上,如果成功,再为大家代买,如果那位有PIC12c509,我可为他代烧录文件
37
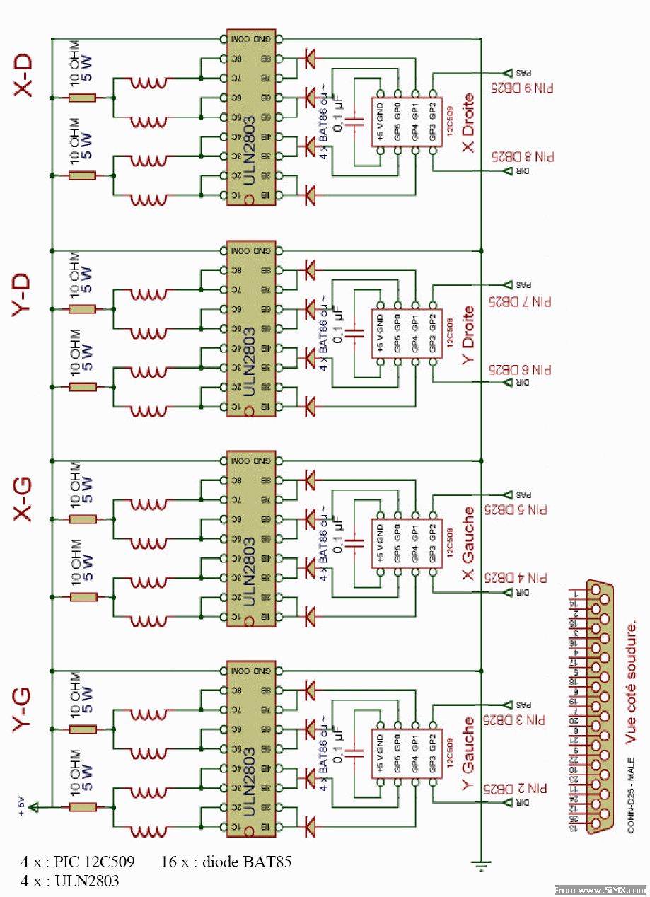
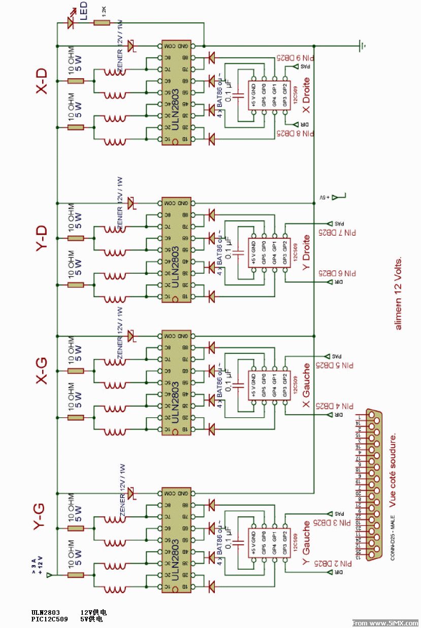
发表于 2005-5-1 10:08 | 只看该作者
34楼是5伏的步进电机驱动图,下面给大家的是12伏的步进电机驱动图:em24::
PIC12C509的价格低过89C2051,ULN2803的价格也低过分立的驱动管,且外围电路简单,容易制作。:em19:
38
发表于 2005-5-1 10:14 | 只看该作者
a51  在 2005-4-30 09:29 PM 发表:

切割机的步进电机驱动足够了?
切割机的步进电机上个图看看.有多大


打印机的电机,5V的,切割机做够使用:
39
发表于 2005-5-1 10:39 | 只看该作者
我的单片机烧录机,可以烧89系列,PIC等系列的单片机:


我也做过89c2051的板子,我觉得元件太多,复杂,不易成功。
下面就是89c2051的板子:



[ Last edited by 世明 on 2005-5-1 at 10:41 ]
40
发表于 2005-5-1 12:37 | 只看该作者
世明兄,你有2051的原程序吧,发一个怎样,因为用小的步进电机,我准备放大用2803,先谢谢
您需要登录后才可以回帖 登录 | 我要加入

本版积分规则

关闭

【站内推荐】上一条 /2 下一条

快速回复 返回顶部 返回列表